NBD行星齿轮减速机 煤矿拉绞车用
人气:39560次 发布时间:2024-05-21
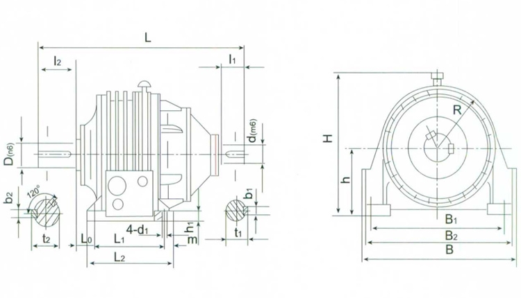
NBD行星齿轮减速器为双级传动,行星结构,多齿啮合,功率分流,承载能力大,使用寿命长,同轴式,安装方便,噪音低。
NBD行星减速器型号有:NBD250,NBD280,NBD315,NBD355,NBD400,NBD450,NBD500,NBD560,NBD630,NBD710,NBD800,NBD900,NBD1000
NBD行星齿轮减速机工作特点: (1)齿轮柔用高强度低碳合金钢经渗碳淬火而成,齿面硬度达HRC54-62。
(2)采用磨齿工艺,精度高,接触好。
(3)承载能力高,比 齿面减速器承载能力提高七倍。
(4)传动效率高,可达98%,使用寿命长。NGW行星齿轮减器结构特征: NGW行星齿轮减器主要构建有太阳轮、行星轮、内齿圈、行 星架。



相关新闻
- ZLY, ZSY, DCY系列硬齿面齿轮减速机,工业领域的动力之选。 2025-09-02
- NBD行星齿轮减速机 煤矿拉绞车用 2024-05-21
- MBY磨机减速机 水泥磨 煤磨用 高强度 承载力大 2023-05-17
- 泰兴硬齿面减速机常用型号介绍 2023-10-31
- 泰隆泰星摆线针轮减速机摆线轮 2023-10-31
相关产品


